Novak Conversions Jeep Wrangler TJ engine mounts

On-Board Air Conversion of Stock Jeep Wrangler TJ A/C System

A bit late to answer, but parts will vary depending on what exactly you want to do with routing, accessories, internal oil sump (York) or external oiler (Sanden, for example). I used a junkyard Sanden 709 compressor which came out of a 90s model XJ for $50.
I have a non-ac 98 wrangler similar to yours and was wondering how the electric portion of this install was? I have very minimal electrical experience but this looks like a fun and very affordable project to do!

Is it as simple as getting power to the clutch through a relay and activating the relay with a wire connected to the pressure and master switches?
 
Last edited:
A bit late to answer, but parts will vary depending on what exactly you want to do with routing, accessories, internal oil sump (York) or external oiler (Sanden, for example). I used a junkyard Sanden 709 compressor which came out of a 90s model XJ for $50. Parts I used are:

Air hoses--I bought mine at Harbor Freight. IIRC they were $5-7 for 3' pieces. I believe I bought 3 and cut as needed. They also had a temp rating of 175°.

Fittings--I used 1/4" fittings. To get everything to fit I had to use various reducers, swivels, and elbows. ACE hardware had everything I needed. The flared fittings from my compressor were 3/4". I had to use a 3/4" to 1/2" male flare to a 1/2" elbow. Attached to the 1/2" elbow was a 1/2" to 1/4" swivel, then a 1/4" male/male adapter to the oiler. Pretty much the same setup on the discharge side too. Fittings were not exactly cheap, maybe $80-100 for everything, the swivels themselves were $12 a piece.

Oiler--I used a SpeedAire 4ZL70. The important thing to note on the oiler was the fitting size, max pressure, and temp rating. The Sanden 709 IIRC is capable of 9-11 cfm at 2000 RPM. The oiler is capable of 50 cfm, so plenty of safety there. Mine is filled with regular compressor oil I picked up at Home Depot. So far after a year and countless cycles, the compressor seems happy. The oiler has a setting required based on CFM. Adjust accordingly. I used one full resesrvoir (About 2 oz) over the course of a year, but I checked it about 3-4 times to make sure. The oiler was $40-50 on eBay.

Oil filter--I used an ARO F35121-320. Similar to the oiler, I bought this based on size, cfm rating, and temp rating. This was $60-70 on eBay.

Manifold--I used an aluminum 6 port manifold that was $25 from Grainger. Depending on exactly you want your OBA to do this manifold size can change. Since there is a inlet and outlet for the air itself, my manifold is really a 4 port. On the manifold I have the 90/120 psi pressure switch ($5 eBay), a 175 psi pressure relief valve ($4 eBay), and a compression fitting that leads to a gauge I have inside. I have one port left over for whatever I need in the future.

View attachment 210895

View attachment 210896

View attachment 210897

View attachment 210899

View attachment 210900

View attachment 210901

View attachment 210902

View attachment 210908

View attachment 210909

Did you not use an air tank on your setup?
 
I know the question wasn't aimed at me, but back when I was using a Sanden compressor, I also had a small 3 gallon tank. It took about 4-5 seconds for the compressor to completely fill the tank. Which is the same amount of buffer that having a tank gives you. I eventually removed it.
 
  • Like
Reactions: lBasket
I know the question wasn't aimed at me, but back when I was using a Sanden compressor, I also had a small 3 gallon tank. It took about 4-5 seconds for the compressor to completely fill the tank. Which is the same amount of buffer that having a tank gives you. I eventually removed it.

Okay that is good to know. So unless it's worth having a big enough one for airtools and stuff it's probably more space than it's worth. Thank you
 
I never tried running an impact, but it could shoot nails no problem
 
Okay that is good to know. So unless it's worth having a big enough one for airtools and stuff it's probably more space than it's worth. Thank you

I've ran air tools before with mine but like Apparition said with the development of battery powered tools there really isn't a need/reason anymore.
I have to have a small tank for my AiRock system but I don't plan to run one as large as the one I use to have.
 
Looking to do this with my tj. I will be taking a trip from Ontario Canada this coming may, looking at a few trails in the Utah/Cali area... So I would like a reliable air-up "tool". I have been looking at the products and the only thing of concern to me is the temperature ratings on the filters. I called companies from different manufacturers and am getting the same response of it probably will not last in the Canadian winters we get. Just wondering if someone has done this in a cold climate.

Also now that my freon has been evacuated (heater core job), should I be spraying lubrication into the ac lines for the compressor? Did not think about that before removing it and not refilling it.
 
Looking to do this with my tj. I will be taking a trip from Ontario Canada this coming may, looking at a few trails in the Utah/Cali area... So I would like a reliable air-up "tool". I have been looking at the products and the only thing of concern to me is the temperature ratings on the filters. I called companies from different manufacturers and am getting the same response of it probably will not last in the Canadian winters we get. Just wondering if someone has done this in a cold climate.

Also now that my freon has been evacuated (heater core job), should I be spraying lubrication into the ac lines for the compressor? Did not think about that before removing it and not refilling it.

You'll definitely want a cooler installed on the discharge side. The compressors generate a lot of heat. My coalescing filter melted after a while but I was running the discharged air directly into it. A simple power steering, or transmission cooler would suffice. I have even seen people use copper lines to help dissipate the heat.

For lubrication you can either install a grease zerk and fill the compressor with something like red n tacky every once in a while, or you can install an inline oiler. I used a speedaire oiler and it uses only a few ounces for the whole year. I use regular compressor oil I buy at home depot and so far my Sanden unit is going on 3 years with countless fillups and other uses (like sprinklers!).
 
  • Like
Reactions: Morks
You'll definitely want a cooler installed on the discharge side. The compressors generate a lot of heat. My coalescing filter melted after a while but I was running the discharged air directly into it. A simple power steering, or transmission cooler would suffice. I have even seen people use copper lines to help dissipate the heat.

For lubrication you can either install a grease zerk and fill the compressor with something like red n tacky every once in a while, or you can install an inline oiler. I used a speedaire oiler and it uses only a few ounces for the whole year. I use regular compressor oil I buy at home depot and so far my Sanden unit is going on 3 years with countless fillups and other uses (like sprinklers!).

Sweet, thanks for the info! I am slowly gathering all the parts, can I just pop off the ac lines and spray lubricant in them for now? Also, how have the filters lasted in the cold, assuming you get decently cold winters in Colorado? Appreciate it!
 
Sweet, thanks for the info! I am slowly gathering all the parts, can I just pop off the ac lines and spray lubricant in them for now? Also, how have the filters lasted in the cold, assuming you get decently cold winters in Colorado? Appreciate it!

If you are not using your compressor for anything currently since the lines are drained I wouldnt worry about it since there is likely residual refrigerant in there.

The compressor oil I use has no problems in the cold, I have no idea of the weight and viscosity off the top of my head though. The filter will only be a problem if the oil is froze/gelled.
 
  • Like
Reactions: Morks
If you are not using your compressor for anything currently since the lines are drained I wouldnt worry about it since there is likely residual refrigerant in there.

The compressor oil I use has no problems in the cold, I have no idea of the weight and viscosity off the top of my head though. The filter will only be a problem if the oil is froze/gelled.

Appreciate it! If I encounter any issues I will make sure to keep the thread updated with possible solutions.
 
  • Like
Reactions: tworley
Has anyone tried to use the evaporator as an air cooler on the output? Or is there not enough flow through it?
 
dbbd1 I don't see why that wouldn't work. I had a sanden on my YJ, I went to Pick and Pull and got a Tranny cooler from a truck or van (they tend to be larger) and piped my air thru that. It worked great. I have seen guys just coil up some cooper tube and pipe thru the coil.
Just my 2cents worth.
 
  • Like
Reactions: dbbd1 and Morks
View attachment 10585



1. CONTENTS

Overview
Performance Review
Component Selection
Installation
Resources


2. OVERVIEW

This OBA (on-board air) conversion utilizes the stock factory A/C system on the Jeep TJ Wrangler as an on-board air source. By doing so the A/C functionality is lost for the gain of a compressed air source from a belt-driven compressor. Such systems utilizing the Sanden or Denso A/C compressors pump out approximately 5-7 cfm. While not as much as the popular York compressors they have their own benefits, such as ease of installation, especially if the Jeep already comes with A/C. Also, all the factory brackets are utilized, the factory bent and routed A/C lines, as well as the factory A/C clutch and pulley, along with much of the factory wire harness. All this takes a lot of guesswork out of the setup



3. PERFORMANCE REVIEW

Operation

The operation is very straight forward, with the engine running pop the hood, plug in the air hose and turn on the master switch next to the quick connect fitting. The clutch quietly engages and the A/C compressor runs for a few seconds before the air hose is pressurized up to the cut-off pressure. That's it. When the tire inflator trigger is depressed the air pressure drops enough after a few seconds to trip the pressure switch which engages the A/C compressor again and the cycle repeats as needed. When finished, turn off the master switch, trigger the tire inflator to release pressure in the system, and disconnect the air hose and pack it away.

Air-Up Time
Air up time is reasonably quick and ranges from 45 to 70 seconds per tire depending on size.

45 seconds = 33x10.50 14 psi to 30 psi
55 seconds = 33x12.50 14 psi to 30 psi
70 seconds = 35x12.50 14 psi to 30 psi

Longevity
A/C compressor-based OBA conversions such as these using factory A/C compressors have been working very well after being installed and operating in Jeeps for close to a decade of use. They are very durable systems if assembled properly and kept lubricated.

Costs
Total costs for the project should be $200-250 for quality parts if the A/C system is already present. Approximately $120 of that is for the lubricator and coalescing filter. The remainder for hose, fittings, switches, valves, and sundry other components.




4. COMPONENT SELECTION

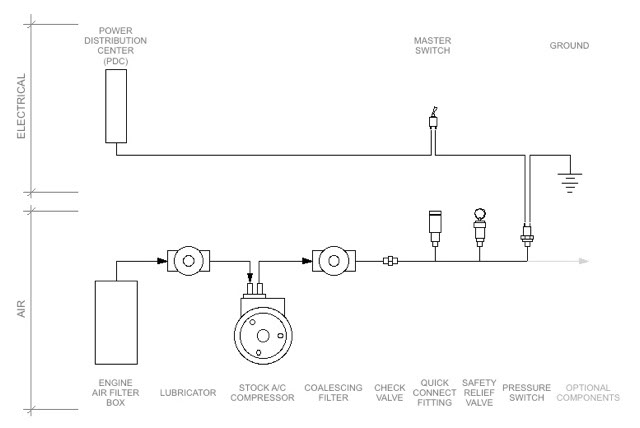
OBA Schematic Layout

The onboard air system is layed out as follows: From the air filter the air intake passes through the lubricator, then to the A/C compressor (now the air compressor), then to a filter / regulator, a check valve, then likely a manifold that has a pressure switch, quick disconnect, safety valve, and possibly a secondary output line that goes to an auxillary air tank or additional quick disconnect fittings.


View attachment 10586
Schematic layout for the OBA conversion


Components - Basic Setup
A basic OBA conversion for airing up tires requires only the following parts, all should be rated for at least 175 def F:

Lubricator
This drips some air tool oil into the intake air stream to keep the A/C pump lubricated and is installed upstream of the A/C compressor. It should be rated to 175 deg F. A 1/4" port-sized lubricator is adequate for the CFM out put of the system, however, I went with a 3/8" NPT port sizes to provide a little freer breathing intake path. Other nice features include a 2.0 oz reservoir which allows for longer use between servicing, and a site glass to visually check the oil level without having to remove the bowl. Finally, there is a top plug to make refills easier so the bowl doesn't need to be removed. Get a mounting bracket for the lubricator, too.

Coalescing Filter
This removes any oil from the air stream AFTER the A/C compressor and will keep the inside of your tires free of oil. Be sure to get a "coalescing filter". If it doesn't say "coalescing" then it's just a particulate filter. Only coalescing filters will remove oil from the air stream. And it should also be rated to 175 deg F. This was sized to 1/4" NPT ports as that worked with the more common 1/4" sized down-stream components. Other nice features included a site glass to visually check how full the reservoir was. Plus this was spec'd with a 2 oz reservoir to match the lubricator. When the lubricator needs refilling, the filter also needs to be emptied. Get a mounting bracket for the filter, too.

Check Valve
This keeps pressurized air from backing up through the filter to the compressor if the compressor cycles off.

Pressure Switch
These come in a variety of on / off ranges. Get one that suits your needs. If you want to run air tools then get one rated for 90 psi on / 120 psi off minimum. This is mounted downstream of the filter / regulator.

Safety Valve
This relieves pressure in the system in case the pressure switch malfunctions. It should be rated about 25 psi higher than your pressure cut off switch and below what any other component in the entire OBA system is rated at.

Quick Disconnect Fitting
Allows for the quick attachement and removal of an air hose. Spec a quick disconnect fitting to match any other fittings you may have for other air tools you own. Common fittings are the I or M fittings.

On / Off Switch
Master on-off electrical switch switch for the entire system. Can be mounted in the dash or under the hood. If mounted under the hood, get a weather protected switch with a dust boot. Marine grade toggle switches with dust boots are good options.

Manifold / T-Fittings
Depending on the number of accessories, manifolds or T-fittings will be needed in the system to mount the safety valve, pressure switch, and other components.

Various Fittings
There will be various fitting such as bulkhead fitting, barb fittings, compression fittings, T's, L's, and so forth for your particular setup. The particular fittings used in this OBA conversion will be called out in the installation instructions below.


Components - Optional
The basic system can be expanded with an air tank which would help limit how often the compressor cycles on and off when used with air lockers or air tools. The following items are not needed for simply airing up tires.

Regulator or filter / regulator
This is needed if you are running air tools for the trail which require about 90 psi of air pressure. Filter / regulator combos or "piggyback" units can be found for some space saving.

Air Tank
This is needed if you are running air tools for the trail or run air lockers. It will limit how often the compressor cycles.

Additional Fittings / Air Line
Extra fittings and hose or air line to plumb in the air tank


System Pressure
The components in the OBA system have a hierarchy of pressure ratings. The lowest rating is the on / off automatic pressure shut off switch and for this system I'm using an 90 / 120 switch. That is, the switch turns on when the pressure drops below 90 psi and shuts off when it reaches 120 psi. Other on / off settings are available but use a minimum 90 / 120 switch if you want the possibility of running air tools. Next higher rated is the safety pressure relief valveand this should be about 25 psi higher than the cut off pressure from the pressure switch. The one I'm using is a 150 psi safety valve. In case the main pressure shut of switch fails, this will release air once pressure hits 150 psi. Finally, the rest of the components in the system (lubricators, filters, check valves, hoses, and so forth must be rated much higher than the safety valve.


Underhood Temperature & Component Selection
The temperature under the hood can get rather hot for air system components. It is wise for safety and longevity sake to get components rated to at least 175 deg F. The NWJeepn.comresource (linked below) called this out and I was skeptical at first. But when I measured the temp recently it made sense. A remote thermometer was affixed at the two main mounting locations under the hood I was planning on using. Then I went for a 25 minute drive to get everything hot. On a 65 deg day, these are the temperatures I recorded:

106 deg F = Between the battery and engine block near firewall - while driving
109 deg F = Between the stock airbox and headlight / radiator support - while driving
121 def F = Between the stock airbox and headlight / radiator support - 15 minutes after engine shut off

If we were to add 35 degrees to the ambient air temps for a 100 deg day, we're looking at

141 deg F = Battery location
144 deg F = Airbox / headlight location
156 deg F = Airbox / headlight after engine shut off

Since nearly all the polycarbonate bowls for the lubricators or filters are only rated to 125 deg F they are not appropriate for the OBA application. Find parts with metal bowls (not just metal guards) AND that are rated to at least 175 deg F.




5. INSTALLATION

Evacuating the A/C System

The A/C compressor and the A/C lines should already be mounted on the Jeep. If the refrigerant is still in the A/C system it will need to be evacuated by a shop. My mechanic didn't charge anything as he figured he got some free refrigerant out of the deal. However, if your mechanic does charge, this service should be approximately $50 +/-.

Remove Unnecessary A/C Components
Next start removing the unnecessary A/C components. Cut the metal A/C lines at the firewall. And cut the intake line just downstream from where the metal line coming up over the engineis crimped onto the fat rubber hose. Remove the metal a/c line from the accumulator (aluminum cylinder on the firewall near the battery) to the evaporator (it looks like a secondary radiator between the engine radiator and the grill) that snakes between the PDC and air box. Remove the accumulator from the firewall bracket, keep the part of the bracket that attached to the firewall.

Next, remove the evaporator which required removing the fan shroud from the radiator and draping it over the engine fan blades. Then remove the top two radiator bolts on each side and loosen the lower bolt on each side. Next remove the lower radiator seal (rubber flap) at the bottom of the radiator to access the evaporator bolts. Remove the evaporator bolts (two on top, two on bottom). Next, tip the engine radiator back and try to snake out the evaporator, being careful not to gouge the radiator fins.


View attachment 10587
Cut the metal a/c lines near the firewall, then remove the
accumulator from the firewall bracket.


View attachment 10588
All the a/c components removed from the Jeep for this conversion.


Mock-Up and Bracket Fabrication
While there are simpler methods for mounting the components I opted to hard mount the OBA system on brackets affixed to the firewall and the radiator / headlight support. To clarify, these were the brackets upon which the lubricator and filter brackets themselves could be mounted. Be sure to get the actual filter / lurbricator factory brackets along with those two components. They save a lot of work and only cost a few dollars extra.

The first step was identifying component locations. Both the areas between the battery and engine block, and between the stock air box and headlight / radiator offer a fair amount of room to mount the major components and follow where the stock A/C rubber lines are already routed to.

As with most of my bracket fabricating methods, I usually start by drilling, then cutting mounting tabs for the brackets. These are then bolted into place and the rest of the bracket is tack welded to the mounting tabs piece by piece. The tack welds are weak enough that pieces can be bent and positioned easily but will keep their position so the bracket can be removed. Pieces of cardboard cut to shape are also used as cheap mock-up material to figure out locations and size. Final welding happens after the bracket is removed for finishing.

When fabricating brackets, keep in mind:
  • clearances to other components
  • ease of removal / installation if the bracket needs to be removed in the future
  • clearances to get wrenches and other tools over the fasteners
  • position of lubricator / filter to facilitate service of these components

Front Bracket: The two upper radiator bolts on the passenger side are convenient for mounting locations as well as at least one of the headlight bolts. The radiator bolts have enough thread left that they can be reused. For the headlight bolt I simply placed that mounting tab over the existing nut and added a second nut, an M5-0.80 thread pitch with a built-in flange. This created three mounting points for a sturdy, well braced front bracket.


View attachment 10589
Mounting tabs for the front bracket.


View attachment 10590
Front bracket largely tack welded together.


Rear Bracket: This was much simpler to build as part of the bracket was already in place. Once the accumulator was removed from it's firewall bracket, the remaining half still attached to the firewall could be used. A 1/2" rod approximately 6-8" long was tack welded to the remains of the bracket and a mounting plate for the lubricator was pre-drilled and then welded to the rod.

Once both brackets were tack welded together and the OBA component test fitted, the brackets were then removed and fully welded up. After welding they were hit with a wire wheel and then wiped thoroughly with acetone to remove any oils or residue before being spray painted.


View attachment 10591
Rear bracket (left) and the front bracket (right) after painting.


Tap Into Stock Air Box
The stock air box struck me as a great source for filtered air for the OBA system. And a plastic bulkhead fitting sourced from a hydroponics supplier worked perfectly. Shave down the middle interior rib on the back of the stock air box lid, then drill a hole to fit the bulkhead fitting. The gasket goes on the interior side.


View attachment 10592
Shave down the middle internal rib at the back of the stock air
filter box lid. Then cut hole for the bulkhead fitting.


View attachment 10593
Bulkhead fitting installed


Component Assembly
The brackets were re-mounted on the Jeep the the components for he OBA system were installed. First the lubricator was mounted to it's bracket near the fire wall and a 90 deg brass ell screwed in to the intake port. Then the hose was installed from the air box to the lubricator. Leave enough slack in the line so that the air box can be easily moved around during engine air filter changes. Next the stock metal intake line to the compressor was cut just downstream from the factory rubber hose segment. Leave enough straight section for a 5/8" compression fitting to be installed. Cut the hose from the lubricator to the intake line to size and install the fittings, then install the hose. You might need a second barb fitting that screws into the compression fitting to make the connection to the hose.

Next, the coalescing filter was installed on the radiator / headlight bracket. Use a 3/8" barb fitting to make the connection to the stock rubber A/C line, which should be cut to the appropriate length. The ID on the stock rubber A/C hose is 0.445" where as the 3/8" barb fitting measures 0.375". The fit will be a little loose but just crank down on a hose clamp and it'll seal tight. A 1/2" barb fitting is simply too large for the stock A/C rubber hose. On the output side of the filter, install the check valve. I found a great, compact 1/4" male to 1/4" male check valve through Grainger. Next is the manifold or, in this case, the two t-fittings. Two t-fittings will provide three ports, one for the quick disconnect, one for the safety valve, and one for the pressure switch. For those looking to add a tank either add a third t-fitting or find a manifold.


View attachment 10594
Hose from the air box to the lubricator is installed.


View attachment 10595
The check valve, quick connect fitting, safety valve, and pressure switch
mounted up to the coalescing filter behind the headlight.


Cover Panel
With all the components mounted a cover panel was fabricated. This allowed a mounting point for the master switch as well as tidied up the visual appearance of the components behind the headlight. A vertical fin was welded on to the panel cover next to the switch location to act as switch guard to help prevent something from accidentally turning on the OBA system. Clearances to a closed hood needed to be taken into account when sizing and locating the cover panel.


View attachment 10596
The cover panel for the front bracket. The big hole is for the quick connect
fitting and the small hole with fin is for the master switch. I welded some
"on" and "off" marking on the plate for my reference. The notch cut out of
the corner is to fit around the intake horn on the air box.


View attachment 10597
The cover panel test fit into place on the front bracket.


Electrical
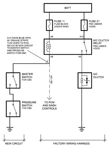
The electrical portion of this was surprisingly easy. There is a single wire leading from the A/C clutch relay in the PDC (Power Distribution Center) to the PCM (Power Control Module or "engine computer"). Cut this wire (capping the one going to / from the PCM and splice in a single new wire leading to the master switch, then run a wire from the master switch to the pressure switch, then to ground. That's it. This re-uses the stock fuse (in the fuse block behind the glove box), the stock A/C relay (in the PDC), and the entire wiring harness to the A/C compressor (including factory connectors, splices, and ground locations).


View attachment 10598
Wiring diagram for the OBA system.


Open the PDC by releasing all the snap tabs to first get it out of the metal mounting bracket, then unsnap the bottom cover of the PDC. Lay the PDC on its side on the fender to access all the wires underneath. Locate the A/C relay, then locate the wire that runs between the relay and the PCM (engine computer). On my '01 TJ this was a DB / OR wire or Dark Blue with Orange stripe. Cut the wire about 4" from the relay, strip off the end, then splice on the new wire to the switch by crimping a metal connector on the splice connection, then soldering the connection. This is the recommended way of splicing wires according to the Factory Service Manual. Cap the other wire leading to the PCM "just in case" so it doesn't short out.

The new switch wire was run up to the headlight location where the pressure switch was. This was also where the master switch was to be located. From the master switch there were two short lengths of wire run to the pressure switch, then to a ground screw behind the headlight. The whole wiring harness was then encase in plastic split wire loom like the factory wiring harness. Finally, the PCM was put back together and snapped into place again.

View attachment 10599
The PDC opened up and the new wire splice into the system.


View attachment 10600
The rest of the new wiring harness just behind the passenger headlight.


Finishing Touches
This is pretty much it. The only things left to do was install the switch into the cover panel, hook up the wiring harness to it, the install the cover panel on the forward bracket. A rubber cover was sourced for the quick disconnect. 7/8" - 1" rubber chair feet from the home improvement store worked great for this. And a 25 ft self coiling hose was picked up along with the necessary fittings and tire inflator. These last items were stuffed into a handy tool bag.


View attachment 10601


View attachment 10602
The finished OBA system. All neat and tidy.




6. RESOURCES

NWJeep'ns OBA Write-Up
This is an excellent resource where they detail further the component selections and were spot on with their recommendations. The end of their write-up also has other useful parts sources.


Condensed Component Parts List
  • Lubricator - Speedaire 4ZL70 + bracket Speedaire 4ZK29
  • Coalescing Filter - Wilkerson M12-02-BL00 + bracket Wilkerson GPA-96-313
  • Check Valve - CDI Control Devices M2525-1WA (Grainger P/N 6D914)
  • Safety Valve - CDI Control Devices SA25-1L150 (Grainger P/N 5A713)
  • 90 / 120 Pressure Switch - Hornblasters or Viaair, google search is your friend

Full Parts List For This OBA Build (from intake to output)
  • Bulkhead fitting, plastic, for 1/2" hose, sourced from hydroponics supply store.
  • 1/2" Hose from engine air filter box to lubricator
  • 3/8" NPT 90 deg "L" with 1/2" hose barb, brass
  • Lubricator w/ metal bowl and 3/8" NPT ports, Speedaire 4ZL70 + bracket Speedaire 4ZK29
  • 3/8" NPT straight to 1/2" hose barb, brass
  • 1/2" hose from lubricator to stock A/C intake line
  • 1/2" barb to 1/2" NPT fitting
  • 1/2" NPT to 5/8" compression fitting (to fit on metal A/C intake line)
  • 3/8" barb to 1/4" male NPT fitting
  • Coalescing Filter w/ metal bowl and 1/4" NPT ports, Wilkerson M12-02-BL00 + bracket Wilkerson GPA-96-313
  • Check valve, 1/4" male to 1/4" male
  • 1/4" NPT T-fitting (all female ports)
  • 1/4" NPT T-fitting (two female ports, one male port on the "leg" of the T)
  • 1/4" NPT male quick disconnect (mounted to first t-fitting)
  • 1/4" NPT male saftey valve (mounted to second t-fitting)
  • 1/4" x 1/8" NPT bushing (to side down port for pressure switch)
  • 90 / 120 psi pressure switch (it came as 1/8" NPT male threaded)
  • (5) x hose clamps, wide band
  • SPST Marine Grade Toggle Switch + Dust Boot
I had 2 of my compressor go out on the slash plate on the nipadenso compressor, similar to your setup .
My buddy has 1997 TJ and runs a Sanden above the alternator and has no problem for last 10 year+ . I think the design of the compressor is critical.
 
Novak Conversions Jeep Wrangler TJ engine mounts